Die Kenntnis der Produktionsmethode von Rädern ist sehr wichtig für die Auswahl eines Rades.
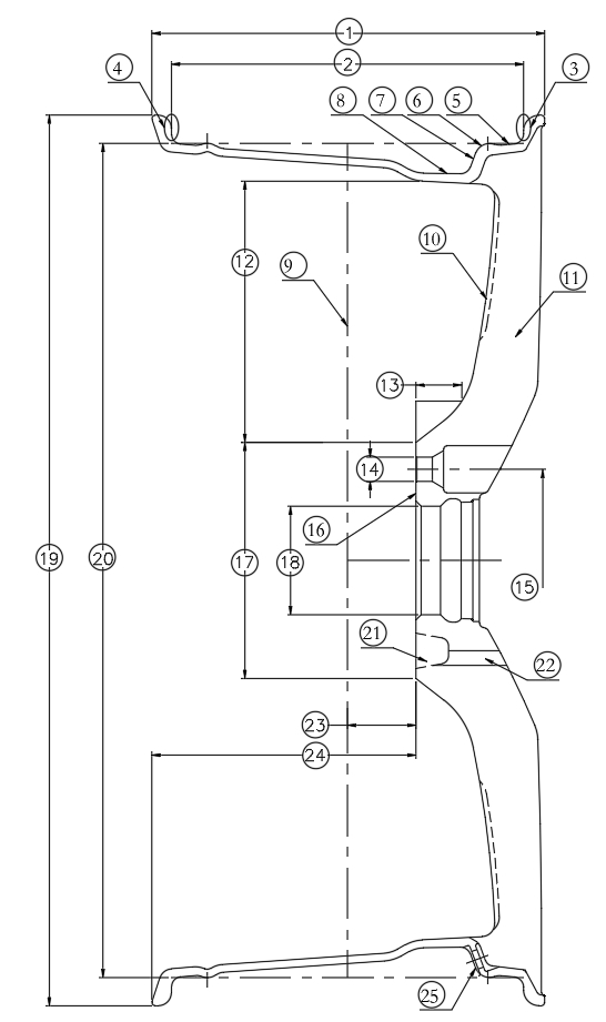
Im letzten Abschnitt haben wir den Aufbau und die Klassifizierung von Rädern eingeführt. Ein Laufrad besteht aus folgenden Teilen:
1 Gesamtbreite
2 Felgenbreite (Reifenbreite)
3 Vorderlippe
4 Hintere Lippe
5 Perlensitz
6 Buckel
7 Neigung
8 Drop-Center
9 Mittellinie
10 Rippentaschen zur Gewichtsreduzierung
11 Rippe (Speiche)
12 Y-Faktor
13 X-Faktor
14 Schraubenlochdurchmesser
15 Pitch Center Dia (PCD)
16 Montagefläche
17 Montagefläche Durchm
18 Mittelbohrung (CB)
19 Außendurchmesser
20 Raddurchmesser
21 Taschenfräsen zur Gewichtsreduzierung der Montagefläche
22 Entlüftung
23 Versatz (ET)
24 Rückenabstand
Und es gibt Arten von Rädern: Stahlräder, Gussräder aus Aluminiumlegierung, geschmiedete Räder aus Aluminiumlegierung, Räder aus Kohlefaserverbundwerkstoff und Magnesiumräder.
In diesem Abschnitt stellen wir hauptsächlich die Möglichkeiten der Herstellung von Rädern vor.
Räder werden hauptsächlich auf zwei Arten hergestellt: Schmieden und Gießen.


Das Gießen kann in Schwerkraftguss und Niederdruckgussmaschine unterteilt werden, es soll den Aluminiumbarren in Flüssigkeit schmelzen, die dann die Flüssigkeit in eine Form gespritzt und abgekühlt wird. Bei diesem Prozess wird das Aluminium von fest zu flüssig umgewandelt und in die Form eingespritzt, sodass Luft und andere Stoffe hineinkommen können, die hohe Anforderungen an die Technologie der Fabrik stellen.
Geschmiedete Räder haben dieses Problem nicht, weil es das Aluminium pressen soll, das bei gemeinsamer Temperatur ist oder mit einem Druck von 8000 bis 10000 Tonnen erhitzt wird, wobei sich die Form des Aluminiums nicht ändert, während der hohe Druck Räder mit höherem Druck macht Dichte und Soliderstruktur.

Daher sind Schmiederäder leichter und stabiler als Gussräder, was bedeutet, dass Schmiederäder mehr Kraftstoff sparen. Heutzutage würden jedoch viele Fabriken Räder mit Niederdruckguss und Fließform herstellen, um die Qualität der Räder der von geschmiedeten Rädern nahe zu bringen, sodass Fließformgussräder eine gute Wahl mit hoher Qualität und niedrigeren Preisen sind.
Normalerweise beträgt der Preis einer Schwerkraftgussmaschine 3 bis 4.000 USD, einer Niederdruckgussmaschine 15.000 bis 30.000 USD und einer Schmiedemaschine 3 bis 7 Millionen USD. Dies bringt einen großen Unterschied in den Preisen dieser drei Arten von Rädern mit sich. Wenn Sie also versuchen, einen Laufradsatz bei eBay oder Alibaba zu bekommen, sollten Sie auf die Herstellungsweise der Laufräder achten. Wenn Sie ein Schmiederad finden, das billiger ist als andere, sollten Sie vorsichtig sein. Und da die Herstellung ein kostspieliger Prozess ist, können einige Fabriken nicht mit guten Maschinen ausgestattet werden, die den Standards entsprechen, die von ihnen produzierten Räder sind von geringer Qualität. Daher ist es sehr wichtig, die Räder zu finden, die von zertifizierten und leistungsstarken Werken hergestellt werden, die mit fortschrittlichen Einrichtungen und abgeschlossenen Testlabors ausgestattet sind, wodurch Sie effektiv vermeiden können, die Räder mit Problemen und Geldverschwendung zu bekommen. JWHEEL ist einer von ihnen.


JWHEEL ist ein professioneller Hersteller mit einer 30-jährigen Geschichte und hat sich zu Lieferanten vieler internationaler Radmarken entwickelt, die ihnen sowohl ODM- als auch OEM-Dienstleistungen anbieten, sodass wir über ausreichende Erfahrung verfügen, um eine Vielzahl von Rädern in guter Qualität herzustellen. Und es verfügt über enorme Fähigkeiten beim Design von Aluminiumlegierungsrädern und bietet One-Stop-Services vom Design bis zur Produktion, ausgestattet mit einem Aluminiumlegierungsofen, einer Gießlinie, einer Schmiedemaschine, einer Fließformanlage, einer automatischen Lackierstraße, einem Heliumleckdetektor und einem automatischen Gleichgewichtsprüfsystem. usw.. Mit dieser fortschrittlichen Technologie kann JWHEEL' s Produktionskapazität hat jetzt 1,5 Millionen Räder pro Jahr überschritten. (Informationen zu Laufrädern finden Sie auf der Website: www.jjjwheel.com.)